


















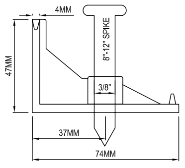
En enkel måte å gjøre kantavslutning på. Dette er en kantlist som kan tilpasses kurver og hjørner. Denne festes med jordspiker som er 30 cm lange. Steinen merkes og kappes slik at det tilpasses opp mot rulleskiftet eller
kantlist. Snap Edge leveres komplett med jordspiker.
Kantsikring - produktet som benyttes der det er samme høyde på belegg og tilstøtende områder som gress, singel etc.
"Snap Edge" benyttes for å sikre at belegningsstein og heller holdes på plass. Den gir en stabil avlutning mot tilstøtende område.
"Snap Edge" kan benyttes i stedet for kantstein på mindre trafikerte områder og er spesielt godt egnet der hvor det er lik høyde mellom belegg og tilstøtende område. Produktet er fleksibelt og kan brukes til rette kanter samt innvendige og utvendige kurver. Den har en skjøteløsning som gir stabile og sammenhengende kantlengder.
"Snap Edge" er enkel i bruk, rask å montere og gir god vekst der hvor det er ønsket gress inntil belegget. Den forankres til underlaget med 30cm jordspiker. Leveres i lengder på 2,44 meter med tilhørende jordspiker.
"Snap Edge Barrier" er en pakke bestående av 2 lengder kantsikring á 200 cm og en pakke med 8 jordspiker.
Sterk sammenlåsende skjøt holdt sammen med en pigg for å skape en sikker forbindelse og gi maksimal støtte.